021-51699285
首页
关于我们
公司简介
关于品牌
荣誉资质
产品中心
油压气缸
辅助气动元件
气缸
方向控制阀
气源处理元件
空气洁净设备
新闻中心
公司新闻
行业动态
联系我们
产品展示
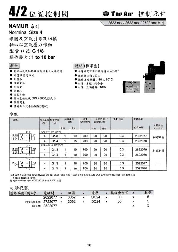
2622077,位置控制阀 NAMUR系列,台湾Top Air
首页
/
产品中心
/
電磁閥
電磁閥
氣動閥
圓型氣壓缸
特殊产品
方型氣壓缸
導桿氣壓缸
無桿氣壓缸
磁性無桿氣壓缸
油壓缸
夾爪 / 機械手
三點組合
其他輔助裝置
产品标题:2622077,位置控制阀 NAMUR系列,台湾Top Air
产品ID:
VIB20091112184623734
品 牌:
TOPAIR气动
所在地:中国 上海
价 格:面议 (大量采购价格面议)
库存状态:
货期待查
更新日期:2025-7-17 13:54:26
咨询电话:(+86)021-51699285
咨询Q Q:
2695337323
产品简述
2622077,位置控制阀 NAMUR系列,台湾Top Air
产品详情
产品型号
吸盘转接支架 ESH-HCL-3-PK
吸盘转接支架 ESH-HCL-4-QS
吸盘转接支架 ESH-HCL-4-PK
吸盘转接支架 ESH-HCL-5-G
吸盘转接支架 ESH-HCL-6-G
吸盘转接支架 ESH-HD-1-QS
吸盘转接支架 ESH-HD-1-PK
吸盘转接支架 ESH-HD-2-QS
吸盘转接支架 ESH-HD-2-PK
吸盘转接支架 ESH-HD-3-QS
吸盘转接支架 ESH-HD-3-PK
吸盘转接支架 ESH-HD-4-QS
吸盘转接支架 ESH-HD-4-PK
吸盘转接支架 ESH-HD-5-G
前一页
2622131,位置控制阀 RM系列 ,台湾Top Air
后一页
2622131,位置控制阀 RM系列 ,台湾Top Air
产品中心
更多产品
MORE+
2622300,位置控制阀,台湾Top Air
8512750,位置控制阀,台湾Top Air
9132950,位置控制阀,台湾TopAir
2522120,位置控制阀,台湾Top Air
2623301,位置控制阀 2523\2623\2723系列,台湾Top Air
2523077,位置控制阀 NAMUR系列 ,台湾Top Air
2523000,位置控制阀 2523,2623,2723 系列 ,台湾Top Air
2523500,位置控制阀 2523,2623,2723 系列 ,台湾Top Air
单作用短行程气AEVC-50-25-A-P
双作用短行程气 ADVC-50-10-I-P-A
双作用短行程气 ADVC-50-15-I-P-A
双作用短行程气 ADVC-50-20-I-P-A
电话:
021-51699285
传真:
021-51698592
手机:
13611905823
地址:上海市宝山区恒高路127弄6号楼2202室
首 页
关于我们
公司简介
品牌介绍
企业荣誉
产品中心
油压气缸
辅助气动元件
气缸
方向控制阀
气源处理元件
空气洁净设备
新闻中心
公司新闻
行业动态
联系我们