021-51699285
首页
关于我们
公司简介
关于品牌
荣誉资质
产品中心
油压气缸
辅助气动元件
气缸
方向控制阀
气源处理元件
空气洁净设备
新闻中心
公司新闻
行业动态
联系我们
产品展示
LZZBJ4-35电流互感器(全封闭)
首页
/
产品中心
/
40.5kV电流40.5kV电流、电压互感器电压互感器
40.5kV电流40.5kV电流、电压互感器电压互感器
3~12kV电压互感器
12kV穿墙式电流互感器
12kV支柱式电流互感器
放电线圈及供机构操作电源用电压互感器
零序电流互感器
产品标题:LZZBJ4-35电流互感器(全封闭)
产品ID:
VIB20100127095851734
品 牌:
大互电气
所在地:中国 上海
价 格:面议 (大量采购价格面议)
库存状态:
货期待查
更新日期:2025-11-7 9:27:13
咨询电话:(+86)021-51699285
咨询Q Q:
2695337323
产品简述
LZZBJ4-35电流互感器
产品详情
LZZBJ4-35产品图片(半封闭)
LZZBJ4-35产品图片(全封闭)
LZZBJ4-35技术参数(单变比)
LZZBJ4-35技术参数(两变比)
LZZBJ4-35技术参数(三变比)
LZZBJ4-35安装尺寸(半封闭)
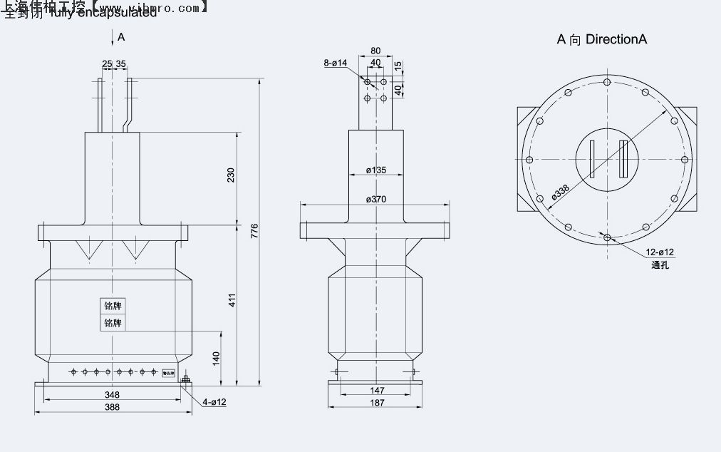
LZZBJ4-35安装尺寸(全封闭)
产品型号
双作用短行程气ADVC-100-20-A-P
双作用短行程气ADVC-100-25-A-P
双作用多位气缸 D - 70- 50-40-PV1-B-SA
双作用多位气缸 D - 70- 100-40-PV1-B-SA
双作用多位气缸 D - 70- -40-PV1-B-SA
双作用多位气缸 D - 90- 100-40-PV1-B-SA
增压器 DPA-100-16
电磁阀 MGTBH-5/2K-FR-110AC-NA
电磁阀 MGTBH-5/2K-FR-230AC-NA
电磁阀 MGXDH-5/2K-FR-110AC-NA
电磁阀 MGXDH-5/2K-FR-230AC-NA
小型滑块驱动器 SLT-16-125-P-A
小型滑块驱动器 SLT-16-150-P-A
小型滑块驱动器 SLT-20-125-P-A
前一页
LZZBJ4-35电流互感器(半封闭)
后一页
LZZBJ4-35电流互感器(半封闭)
产品中心
更多产品
MORE+
JAZV12A-3R,电压互感器
LZZJ-10Q电流互感器
JDZX9-10QG电流互感器
LZZB9-10Q电流互感器
LJ-2零序电流互感器
LJ-7零序电流互感器
LZZBJ9-10C1电流互感器
LZZBJ9-10B1电流互感器
双作用短行程气 ADVC-16-10-I-P
双作用短行程气ADVC-16-15-I-P
双作用短行程气ADVC-16-20-I-P
双作用短行程气ADVC-16-25-I-P
电话:
021-51699285
传真:
021-51698592
手机:
13611905823
地址:上海市宝山区恒高路127弄6号楼2202室
首 页
关于我们
公司简介
品牌介绍
企业荣誉
产品中心
油压气缸
辅助气动元件
气缸
方向控制阀
气源处理元件
空气洁净设备
新闻中心
公司新闻
行业动态
联系我们